电动车直流快充和电源拓扑结构入门指南
尽管有关电动汽车采用放缓的新闻标题频频出现,但2023年美国电动汽车销量已超过一百万辆。随着电动汽车拥有量的激增,充电基础设施也迅速发展以满足需求。
有三种主要的充电器实施方式:L1、L2和L3。 L1速度最慢,能力最低,使用标准的120VAC电源。L2使用240VAC电源,并比L1充电快六到八倍。 L1和L2都向车辆提供交流电(从技术上来说,这些设备被归类为EVSE——电动汽车供电设备,而不是充电器本身),需要车辆内部进行直流转换以为电池充电。 然而,L3充电器直接向车辆提供直流电,通常为400或800 VDC,使车辆能够在不到一小时内增加几百英里的续航里程。 鉴于这些存在显著区别的充电器实施方式以及不同应用之间的更细化差异,需要考虑内部充电电子拓扑结构。在本文中,我们将概述几种不同的AC-DC拓扑,以及可用于电动汽车应用的DC-DC拓扑。
交流到直流电动车充电器拓扑选项
| AC/DC拓扑结构 | 2级PFC | 3级NPC | 3级维也纳 | 3级TNPC | 3级ANPC |
|---|---|---|---|---|---|
| 输入相位 | 单相和三相 | 单相和三相 | 三相 | 三相 | 三相 |
| 双向 | 是 | 是 | 否 | 是 | 是 |
| 功率密度 | 低 | 高 | 中等 | 中等 | 最高 |
| 效率 | 低 | 高频时非常高 | 高 | 高 | 最高 |
| 导通损耗 | 低 | 高 | 高 | 中等 | 高 |
| 开关损耗 | 高 | 低 | 中等 | 中等 | 低 |
| 控制 | 简单 | 中等 | 中等 | 中等 | 中等 |
| 峰值电压应力 | 高 | 低 | 低 | 低 | 最低 |
| 输出电流的谐波失真 (THD) | 高 | 非常低 | 非常低 | 非常低 | 非常低 |
| 成本 | 低 | 高 | 中等 | 中等 | 最高 |
| 输入电感器 | 大 | 小 | 小 | 小 | 小 |
| 开关数量 | 4 (单相), 6 (三相) | 4 (单相), 12 (三相) | 6 | 12 | 18 |
| 二极管数量 | 0 | 2 (单相), 6 (三相) | 6 | 0 | 0 |
单相图腾柱PFC(功率因数校正)

单相图腾柱PFC
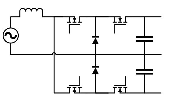
单相中性点钳位功率因数校正(NPC PFC)

单相NPC PFC
单相NPC拓扑将交流电转换为正负直流电压输出,其间有一个设置或钳位的中性点。该拓扑能够产生非常低的失真,且功率开关上的电压较低,因为每个直流电平仅处理总直流电压范围的一半(相比于全范围整流器的运行)。因此,在此拓扑中可以实施具有成本效益的MOSFET开关(而不是SiC或GaN)。然而,该拓扑需要四个开关及其相关的驱动器,而单相图腾柱PFC拓扑标称只需要两个。 通过其主动开关操作,可以实现双向运行。当需要极高性能时,可以通过GaN/SiC开关进一步增强此拓扑。
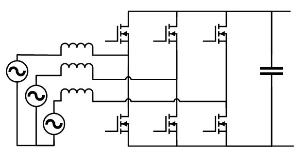
三相两级功率因数校正 (PFC)

三相两级 PFC
三相两级PFC拓扑是一种采用六个开关的升压型整流电路。从BOM和电路角度来看,这是一种简单的拓扑结构,并可在合理效率下实现双向电力流动。 尽管这种方法优雅地简化了双向三相功率转换的实现,但此拓扑结构存在一些缺点。与本文中讨论的一些其他拓扑相比,开关必须能够阻断整个总线电压。例如,800VDC输出需要1200V额定的SiC开关或类似具备调节能力的器件。正确的操作还需要使用滤波电感器以调节输入电流至较低的总谐波失真(THD)值。与其他PFC拓扑相比,EMI较高,且组件所经历的全范围电压压力可能会影响长期可靠性。
维也纳整流器

维也纳整流器
Vienna 整流器于 1993 年获得专利,适用于高功率三相功率因数校正应用。它可以在连续导通模式 (CCM) 下运行,并且相对易于控制。这种拓扑结构通过其三电平设计,与使用 Si MOSFET 或 IGBT 和 SiC 肖特基二极管的两电平 PFC 方案相比,在高开关频率下可实现更高的效率。Vienna 整流器拓扑具有高效率和低总谐波失真 (THD) 的特点。 Vienna 整流器的一个典型缺点是其通常仅支持从交流电网电源到直流应用(如电动汽车充电)的单向功率转换。不过,通过将功率二极管更换为主动开关,可以实现双向供电。
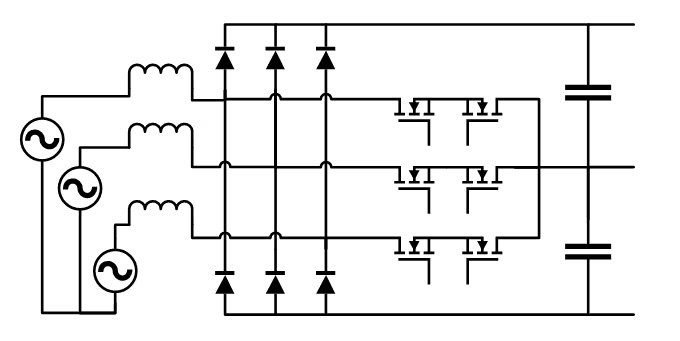
三相中性点钳位 (NPC) PFC
三相三电平NPC PFC
三相NPC拓扑结构与之前讨论的单相NPC拓扑类似,将开关理念扩展至三相。与单相版本一样,每个驱动器仅需处理总线电压的一半。这减少了开关损耗和电压应力,并允许使用更具成本效益的600V元件而非1200V类型。因此,三相NPC拓扑可以根据需求采用Si、SiC或GaN技术实现。此拓扑结构能够进行双向电能转换,是高于50 kHz开关频率的绝佳选择,因为其具有低开关损耗和高效率。 三相NPC控制需要九个栅极驱动器,而单相版本则需要四个,每个驱动器都需要独立的控制电路。为了更好地进行热管理,可以将NPC二极管替换为主动开关,从而形成主动中性点钳位(ANPC)拓扑。这些NPC拓扑在物料清单(BOM)和电路设计方面都相当复杂。
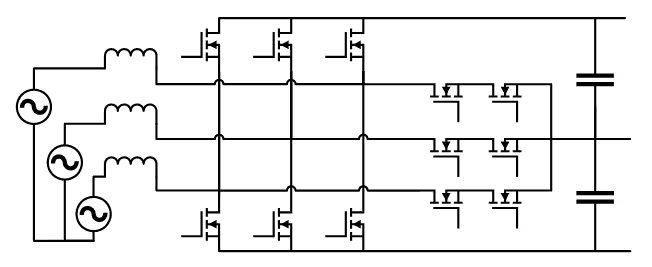
三相、三水平、T型中点钳位(TNPC)

三相三电平T型NPC功率因数校正器
该拓扑结构的功能类似于之前提到的三相两电平PFC电路设置,但在每条三相交流线到直流链中点之间增加了一个有源双向开关。在这种情况下,每个AC到DC转换的高侧和低侧仍需要完全切换,因此需要能够完成此调节的开关(例如,用于800V直流链范围的1200V IGBT和二极管)。然而,与直流链中点连接的双向开关设置仅需调节该电压的一半,因此可以使用额定值较低的器件实现。 总体来说,与NPC拓扑相比,转换损耗较低,但由于开关用于阻断全电压范围,整体开关损耗较高。与NPC拓扑相比,该拓扑具有更好的效率,以及相对较为简单的布局和较少的组件数量。它可用于双向开关,并提供良好的THD性能。
DC-DC EV 充电器拓扑选项
除了将交流电逆变为直流电外,还必须向车辆和/或电池提供正确的直流电压。在这里也有几种选择。
电动车充电站电源拓扑结构 – AC/DC
| CC/DC 拓扑结构 | LLC 转换器 | 移相全桥 | 双主动桥(DAB) | CLLC 模式下的 DAB |
|---|---|---|---|---|
| 双向 | 否 | 否 | 是 | 是 |
| 效率 | 高 | 低 | 中等 | 最高 |
| 导通损耗 | 高 | 中等 | 最低 | 中等 |
| 开关损耗 | 低 | 高 | 高 | 低 |
| 控制 | 中等 | 简单 | 简单 | 中等 |
| 开关频率 | 固定/高 | 高 | 高 | 非常高 |
| 器件峰值应力 | 高 | 中等 | 最低 | 高 |
| 变压器 KVA 额定值 | 高 | 中等 | 低 | 高 |
| 输入和输出电容器 RMS 电流 | 高 | 中等 | 低 | 高 |
| 并联模块 | 困难 | 容易 | 容易 | 困难 |
| 宽电池电压,固定总线电压 | 否 | 是(效率降低) | 是(效率降低) | 有限制 |
| 成本 | 中等 | 中等 | 高 | 高 |
| 开关数量 | 4 | 4 | 8 | 8 |
| 二极管数量 | 4 | 4 | 0 | 0 |
移相全桥 (PSFB)

移相全桥 (PSFB)
在此拓扑结构中,四个开关安装在直流变压桥的初级侧,并配备一个电感器。输入直流电源通过控制器相移,该控制器感应初级侧和次级侧上的电压和电流,但仅驱动初级侧上的开关。次级侧使用二极管来调节输出的相移电力。 此拓扑仅用于单向功率传输。效率通常较低,具有中等的导通损耗和较高的开关损耗。此拓扑成本适中,控制设置简单,在某些情况下值得考虑。
LLC谐振转换器

LLC谐振转换器
LLC谐振转换器类似于PSFB拓扑,但在初级侧添加了一个电容。初级侧的有源开关用于调节输入功率。系统在接近其固有谐振频率时运行效率最高。这允许实现ZVS(零电压开关)开启和ZCS(零电流开关)关闭。 此拓扑仅允许单向功率传输。从整体电路的角度来看,其控制布局与PSFB相同,但实际实现可能更加困难,尤其在并联和同步操作中,通常需要外部控制逻辑。与PSFB等硬开关拓扑相比,EMI性能较好。整体效率较高,具有低开关损耗和高导通损耗。实施成本适中,通常低于双有源桥架构。
双有源桥 (DAB)

双主动桥 (DAB)
双有源桥转换器的设计与上述PSFB拓扑几乎相同。原边的主动开关提供移相功能,而副边采用四个主动开关(例如SiC或GaN器件)替代二极管来调节电源。这不仅允许双向电能传输,还可以对原边到副边的电能转换操作进行更精细的控制。 除了其双向使用特性外,这种主动控制设置能够提供比PSFB拓扑更高的整体效率,同时具有极低的导通损耗。然而,它仍会遭遇较高的开关损耗。控制方面尽管仍然直接,但比PSFB设置更复杂。变压器的副边和原边都需要使用门驱动器。该拓扑的成本相对较高。
CLLC 模式下的 DAB

CLLC模式下的DAB
该拓扑的功能类似于前面提到的三相两电平PFC电路结构,但在每个三相交流电线与直流链中点之间添加了一个有源双向开关。在此,进行交流到直流转换时,高端和低端仍需整体切换,因此需要能够实现此调节的开关(例如,用于800V直流链电压范围的1200V IGBT和二极管)。然而,连接到直流链中点的双向开关设置仅需调节一半的电压,因此可以使用额定值较低的器件来实现。 总体上,与NPC拓扑相比,该拓扑的转换损耗较低,但因用于阻挡全电压范围的开关所致的总开关损耗较高。与NPC拓扑相比,该拓扑效率更高,布局相对更简单且组件数量较少。该拓扑可用于双向开关,并提供良好的THD性能。
选择电动汽车充电拓扑时的考虑因素
在考虑用于AC-DC整流以及DC-DC转换的拓扑时(尤其是在电动汽车充电的背景下),首先需要考虑您是使用三相还是单相的交流电,以及从充电时间、可靠性、热量生成和空间方面判断适合的拓扑。确定整体拓扑后,您可以进一步研究各个零部件及电路的成本。如果需要,可以回到拓扑级别,甚至更高层次的设计标准进行重新考虑。 好消息是,有大量的拓扑和组件选项可满足您的项目需求。如果您需要一个起点,eInfochips(Arrow的一家公司)提供了一个30 kW参考设计,可以帮助您快速启动设计流程。
文章标签