전기차 DC 고속 충전기와 전원 공급 토폴로지 입문
전기차 채택 둔화에 대한 헤드라인에도 불구하고, 전기차는 2023년에 미국에서 백만 대 판매를 돌파했습니다. 이러한 전기차 소유의 급증과 함께, 충전 인프라도 이를 따라가기 위해 빠르게 성장하고 있습니다.
세 가지 주요 충전기 구현 방식이 있습니다: L1, L2, 및 L3. L1은 가장 느리고 가장 낮은 성능을 가지며, 표준 120VAC 전원을 사용합니다. L2는 240VAC 전원을 사용하며, L1 충전에 비해 6배에서 8배 더 빠르게 전력을 추가합니다. L1과 L2 모두 차량에 AC 전류를 공급하며(엄밀히 말하면 충전기 자체라기보다는 EVSE—전기차 공급 장비로 분류됩니다), 차량은 배터리를 충전하기 위해 내부에서 DC 변환을 수행해야 합니다. 반면, L3 충전기는 차량에 DC 전류를 직접 공급하며, 일반적으로 400 또는 800 VDC에서 작동하여 한 시간 이내에 차량에 수백 마일의 주행 거리를 추가할 수 있습니다. 이러한 전반적으로 다른 구현 방식과 특정 응용 분야 간 존재할 수 있는 더 세부적인 차이를 감안할 때, 내부 충전 전자기기 토폴로지를 고려해야 합니다. 이 기사에서는 EV 응용 분야에서 사용할 수 있는 여러 가지 AC-DC 토폴로지와 DC-DC 토폴로지를 개략적으로 설명하겠습니다.
AC-DC EV 충전기 토폴로지 옵션
| AC/DC 토폴로지 |
2-레벨 PFC |
3-레벨 NPC |
3-레벨 비엔나 |
3-레벨 TNPC |
3-레벨 ANPC |
|---|---|---|---|---|---|
| 입력 위상 | 1- & 3-상 | 1- & 3-상 | 3-상 | 3-상 | 3-상 |
| 양방향 | 예 | 예 | 아니오 | 예 | 예 |
| 전력 밀도 | 낮음 | 높음 | 보통 | 보통 | 최고 |
| 효율 | 낮음 | 매우 높음 @ 고주파 |
높음 | 높음 | 최고 |
| 도통 손실 | 낮음 | 높음 | 높음 | 보통 | 높음 |
| 스위칭 손실 | 높음 | 낮음 | 보통 | 보통 | 낮음 |
| 제어 | 쉬움 | 보통 | 보통 | 보통 | 보통 |
| 최고 전압 스트레스 | 높음 | 낮음 | 낮음 | 낮음 | 가장 낮음 |
| 출력 전류의 THD | 높음 | 매우 낮음 | 매우 낮음 | 매우 낮음 | 매우 낮음 |
| 비용 | 낮음 | 높음 | 보통 | 보통 | 최고 |
| 입력 인덕터 | 큼 | 작음 | 작음 | 작음 | 작음 |
| 스위치 수 | 4 (1-상), 6 (3-상) |
4 (1-상), 12 (3-상) |
6 | 12 | 18 |
| 다이오드 수 | 0 | 2 (1-상), 6 (3-상) |
6 | 0 | 0 |
단상 토템폴 PFC (전력 인자 보정)

단상 토템 폴 PFC
단상 토템 폴 PFC 토폴로지는 비교적 간단한 설계로 낮은 BOM 비용을 자랑합니다. 이 설계는 두 개의 주요 드라이버 스위치와 함께 다이오드 또는 저 RDSON MOSFETs 를 이용하여 정류를 제공합니다. 기본적으로 양방향 동작(예: 차량에서 전력망으로, V2G 충전)이 가능하지만, 연속 전도 모드(CCM)는 SiC 및 GaN 전환을 사용할 때만 실용적이고, 더 전통적인 Si 부품을 사용할 때는 그렇지 않습니다. 전반적으로 이 토폴로지는 높은 스위칭 손실로 인해 효율이 낮은 경향이 있지만, 전도 손실은 낮습니다. 2개의 드라이버 대신 4개의 인터리브형 전력 스테이지 드라이버를 사용하고 SiC 및 GaN 스위칭을 활용하면 효율을 개선할 수 있습니다.
단상 뉴트럴 포인트 클램프 전력 인자 보정(NPC PFC)

단상 NPC PFC
단상 NPC 토폴로지는 교류(AC)를 양극 및 음극 DC 전압 출력으로 변환하며, 두 출력 사이에 설정된(또는 클램프된) 중립점이 있습니다. 이 토폴로지는 전체 DC 전압 범위의 절반만 각 DC 레벨이 처리하기 때문에(전체 범위 정류기의 작동과는 반대로) 전력 스위치에 걸리는 전압이 낮아 매우 낮은 왜곡을 생성할 수 있습니다. 따라서 SiC 또는 GaN 대신 비용 효율적인 MOSFET 스위치를 이 토폴로지에 구현할 수 있습니다. 하지만 이 경우, 단상 토템폴 PFC 토폴로지에서는 명목상 두 개의 스위치만 필요하지만, 네 개의 스위치와 그에 연결된 드라이버가 필요합니다. 양방향 동작은 활성 스위칭 작업을 통해 가능합니다. 이 토폴로지는 매우 높은 성능이 요구될 경우 GaN/SiC 스위칭을 추가하여 더욱 향상시킬 수 있습니다.
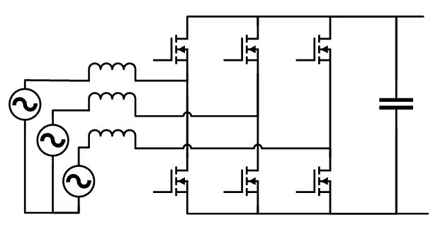
삼상 이단계 역률 보정 (PFC)

삼상 2레벨 PFC
3상 2레벨 PFC 토폴로지는 6개의 스위치를 사용하는 부스트형 정류 회로입니다. BOM 관점과 회로 관점에서 모두 간단한 토폴로지이며, 합리적인 효율로 양방향 전력 흐름을 수용할 수 있습니다. 이것은 양방향 3상 전력 변환을 구현하는 우아하고 간단한 방법이지만, 이 토폴로지에는 몇 가지 단점이 있습니다. 여기에서 논의된 다른 토폴로지와 달리, 스위치는 전체 버스 전압을 차단할 수 있어야 합니다. 예를 들어, 800VDC 출력의 경우, 1200V 등급의 SiC 스위치 또는 유사한 성능의 장치가 규정을 위해 필요합니다. 적절한 작동을 위해서는 입력 전류를 낮은 총고조파왜곡(THD) 값으로 조정하기 위한 필터 인덕터도 필요합니다. 다른 PFC 토폴로지에 비해 EMI가 높으며, 부품이 경험하는 전체 범위의 전압 스트레스는 장기적인 신뢰성에 영향을 미칠 수 있습니다.
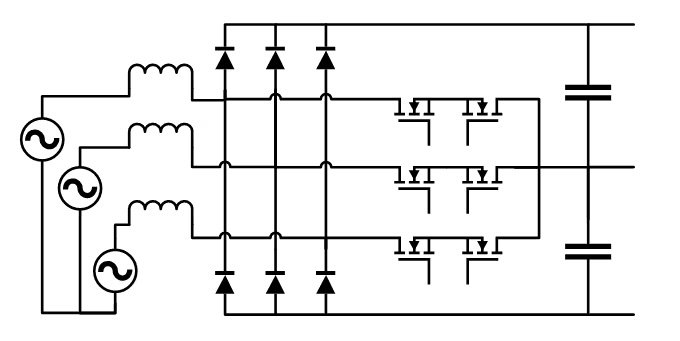
비엔나 정류기

비엔나 정류기
1993년에 특허를 받은 Vienna 정류기는 고출력 삼상 역률 교정 애플리케이션에 적합합니다. 이 정류기는 연속 전도 모드(CCM)에서 작동할 수 있으며 비교적 제어가 간단합니다. 이 토폴로지는 Si MOSFET 또는 IGBT와 SiC Schottky 다이오드를 사용하는 삼단 설계로 인해 이단 PFC 셋업과 비교하여 높은 스위칭 주파수에서 더 높은 효율을 제공합니다. Vienna 정류기 토폴로지는 높은 효율과 낮은 THD를 특징으로 합니다. Vienna 정류기의 특성 중 하나는 명목적으로 AC 그리드 전력에서 DC 애플리케이션(예: EV 충전)으로의 단방향 전력 변환만 지원한다는 단점이 있습니다. 그러나 전력 다이오드를 능동 스위치로 교체하여 양방향 전력을 구현할 수 있습니다.
삼상 중성점 클램프(NPC) PFC
3상, 3레벨 NPC PFC
삼상 NPC 토폴로지는 이전에 논의된 단상 NPC 토폴로지와 유사하며, 스위칭 개념을 삼상으로 확장합니다. 단상 버전과 마찬가지로, 각 드라이버는 버스 전압의 절반만 처리하면 됩니다. 이를 통해 스위칭 손실과 전압 스트레스를 줄일 수 있으며, 1200V 유형 대신 더 경제적인 600V 부품을 사용할 수 있습니다. 따라서 요구사항에 따라 Si, SiC, 또는 GaN 기술로 삼상 NPC 토폴로지를 구현할 수 있습니다. 이 토폴로지는 양방향 전력 변환이 가능하며, 낮은 스위칭 손실 및 높은 효율 덕분에 50kHz 이상의 스위칭 주파수에 적합한 선택입니다. 삼상 NPC 제어를 위해서는 단상 버전에서 요구되는 네 개의 드라이버 대신 아홉 개의 게이트 드라이버가 필요하며 각 드라이버는 자체 제어 회로를 필요로 합니다. 더 나은 열 관리와 함께, NPC 다이오드는 능동 스위치로 대체할 수 있어 능동 중성점 클램프(ANPC) 토폴로지를 생성할 수 있습니다. 이러한 NPC 토폴로지 각각은 BOM과 회로적 관점에서 매우 복잡합니다.
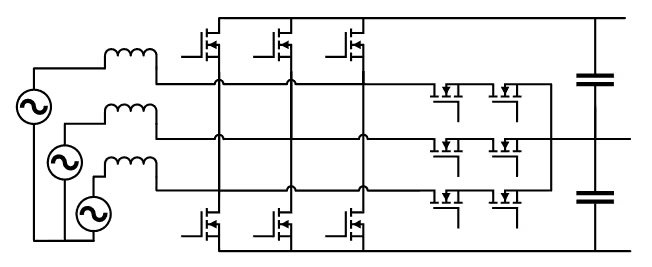
삼상, 3레벨, T형 중성점 클램프 (TNPC)

삼상, 3레벨 T형 NPC PFC
이 토폴로지는 이전에 설명한 3상, 2수준 PFC 회로 구성과 유사하게 작동하지만, 각 3상 AC 라인에서 DC 링크 중간점으로의 능동 양방향 스위치를 추가합니다. 여기에서 각 AC-DC 변환의 상단 및 하단은 여전히 전체적으로 스위칭해야 하며, 따라서 이러한 조정을 지원할 수 있는 스위치(예: 800V DC 링크 범위에 대해 1200V IGBTs 및 다이오드)가 필요합니다. 그러나 DC 링크 중간점으로의 양방향 스위칭 설정은 이 전압의 절반만 조정하면 되므로 등급이 낮은 장치들로 구현할 수 있습니다. 전체적으로 볼 때, 변환 손실은 NPC 토폴로지와 비교하여 낮지만, 전체 전압 범위를 차단하는 데 사용되는 스위치에 비례하여 전체 스위칭 손실은 높습니다. NPC 토폴로지에 비해 더 나은 효율성을 제공하며, 약간 더 간단한 레이아웃과 낮은 부품 수를 특징으로 합니다. 이는 양방향 스위칭에 사용될 수 있으며, 우수한 THD 성능을 제공합니다.
DC-DC EV 충전기 토폴로지 옵션
교류(AC) 전력을 직류(DC)로 변환하는 것과 함께, 올바른 DC 전압이 차량 및/또는 배터리에 공급되어야 합니다. 이와 관련하여 여러 옵션이 존재합니다.
EV 충전소 전력 토폴로지 – AC/DC
| CC/DC 토폴로지 | LLC 컨버터 | 페이즈 시프트 풀 브리지 | 듀얼 액티브 브리지 (DAB) | CLLC 모드의 DAB |
|---|---|---|---|---|
| 양방향 | 아니오 | 아니오 | 예 | 예 |
| 효율 | 높음 | 낮음 | 중간 | 최고 |
| 도체 손실 | 높음 | 중간 | 최저 | 중간 |
| 스위칭 손실 | 낮음 | 높음 | 높음 | 낮음 |
| 제어 | 중간 | 간단 | 간단 | 중간 |
| 스위칭 주파수 | 고정/높음 | 높음 | 높음 | 매우 높음 |
| 최대 디바이스 스트레스 | 높음 | 중간 | 최저 | 높음 |
| 트랜스포머 KVA 등급 | 높음 | 중간 | 낮음 | 높음 |
| 입력 및 출력 커패시터 RMS 전류 | 높음 | 중간 | 낮음 | 높음 |
| 병렬 모듈 연결 | 어려움 | 쉬움 | 쉬움 | 어려움 |
| 광역 배터리 전압, 고정 버스 전압 | 아니오 | 예 (효율 저하됨) | 예 (효율 저하됨) | 제한적 |
| 비용 | 중간 | 중간 | 높음 | 높음 |
| 스위치 개수 | 4 | 4 | 8 | 8 |
| 다이오드 개수 | 4 | 4 | 0 | 0 |
위상 변환 풀 브리지(PSFB)

위상 이동 풀 브리지 (PSFB)
이 토폴로지에서는 DC 변압기 브리지 설정의 초단 측에 코일과 함께 네 개의 스위치가 구현됩니다. 입력 DC 전력은 현재 및 전압을 초단과 개발 측에서 모두 감지하는 컨트롤러를 통해 위상이 변환되지만, 스위치는 초단 측에서만 구동됩니다. 개발 측은 출력 위상 변환 전력을 조절하기 위해 다이오드를 사용합니다. 이 토폴로지는 단방향 전력 전달에만 사용됩니다. 효율성은 일반적으로 낮으며, 중간 정도의 도전 손실과 높은 스위칭 손실이 발생합니다. 이 토폴로지의 비용은 중간 정도이며 제어 설정이 간단하여 특정 상황에서 고려할 가치가 있습니다.
LLC 공진 컨버터

LLC 공진 컨버터
LLC 공진 컨버터는 PSFB 토폴로지와 유사하지만 기본쪽에 커패시터를 추가합니다. 기본쪽의 능동 스위치는 입력 전력을 조절합니다. 시스템은 고유 공진 주파수에 가까운 상태에서 작동할 때 가장 효율적입니다. 이는 ZVS(영전압 스위칭) 켜짐과 ZCS(영전류 스위칭) 꺼짐을 가능하게 합니다.
이 토폴로지는 단방향 전력 전송만 가능합니다. 전체 회로 관점에서의 제어 레이아웃은 PSFB와 동일하지만 실제 구현은 병렬 및 동기 작동 시 외부 제어 논리를 필요로 하는 경우가 많아 더 어려울 수 있습니다. EMI 성능은 PSFB와 같은 하드 스위치 토폴로지보다 우수합니다. 전반적인 효율은 전도 손실이 높지만 스위칭 손실이 낮아 높은 편입니다. 구현 비용은 중간 수준이며 일반적으로 듀얼 액티브 브리지 설정보다 낮습니다.
듀얼 액티브 브릿지 (DAB)

듀얼 액티브 브리지 (DAB)
이중 능동 브리지 컨버터 설계는 위에서 설명한 PSFB 토폴로지와 거의 동일합니다. 1차측의 능동 스위치는 위상 이동을 제공하며, 2차측은 다이오드 대신 네 개의 능동 스위치(예: SiC 또는 GaN 장치)를 사용하여 이 전원 공급 장치를 조절합니다. 이를 통해 양방향 전력 전달이 가능하며, 1차에서 2차로의 전력 변환 작업에 대한 더 세밀한 제어가 가능합니다. 양방향 사용 특성 외에도 이 능동 제어 설정은 PSFB 토폴로지보다 낮은 전도 손실로 전반적으로 더 효율적인 성능을 제공할 수 있습니다. 그러나 여전히 높은 스위칭 손실을 경험합니다. 제어는 여전히 단순하지만 PSFB 설정보다 더 복잡합니다. 트랜스포머의 2차측뿐만 아니라 1차측에서도 게이트 드라이버가 사용되어야 합니다. 이 토폴로지의 비용은 비교적 높습니다.
CLLC 모드의 DAB

CLLC 모드의 DAB
이 토폴로지는 이전에 설명된 3상, 2레벨 PFC 회로 설정 방식과 유사하게 작동하지만, 각 3상 AC 라인에서 DC 링크 중간점으로의 능동 양방향 스위치를 추가합니다. 여기서 각 AC-DC 변환의 고측과 저측은 여전히 전체적으로 스위칭되어야 하므로 이 규제를 위한 스위치를 필요로 합니다(예: 800V DC 링크 범위를 위해 1200V IGBT 및 다이오드). 그러나 DC 링크 중간점으로의 양방향 스위칭 설정은 이 전압의 절반만을 규제하기 위한 것으로, 낮은 등급의 장치를 사용해 구현할 수 있습니다. 전체적으로 NPC 토폴로지와 비교했을 때 변환 손실은 낮지만, 전체 전압 범위를 차단하는 데 사용되는 스위치 때문에 전반적인 스위칭 손실은 높습니다. NPC 토폴로지와 비교해 더 나은 효율성을 제공하며, 더 간단한 레이아웃과 낮은 구성 요소 수를 특징으로 합니다. 양방향 스위칭에 사용할 수 있고, 우수한 THD 성능을 제공합니다.
EV 충전 토폴로지를 선택할 때 고려 사항
AC-DC 정류 및 DC-DC 변환을 전기차 충전의 관점에서 고려할 때, 먼저 3상 또는 단상 AC 전원을 사용할 것인지 결정해야 하며, 충전 시간, 안정성, 열 발생 및 공간 관점에서 토폴로지를 고려해야 합니다. 전체적인 토폴로지를 선택한 후에는 개별 부품 및 회로 비용을 깊이 분석할 수 있습니다. 필요하다면 토폴로지 수준으로, 또는 더 상위의 설계 기준으로 다시 돌아가는 것도 고려해보세요. 다행히 프로젝트 요구사항을 충족할 수 있는 다양한 토폴로지와 구성요소 옵션이 있습니다. 어디서 시작해야 할지 고민된다면, Arrow의 계열사인 eInfochips에서 디자인 프로세스를 시작할 수 있도록 돕는 30 kW 레퍼런스 디자인 을 제공합니다.
기사 태그