Una introducción a los cargadores rápidos DC para vehículos eléctricos y las topologías de suministro de energía
A pesar de los titulares sobre la desaceleración en la adopción de vehículos eléctricos, los vehículos eléctricos superaron el millón de ventas en EE. UU. en 2023. Junto con este aumento en la propiedad de vehículos eléctricos, la infraestructura de carga está creciendo rápidamente para mantenerse al día.
Existen tres implementaciones principales de cargadores: L1, L2 y L3. L1 es el más lento y menos capaz, utilizando una fuente estándar de 120VAC. L2 utiliza una fuente de energía de 240VAC y agrega energía de seis a ocho veces más rápido que la carga L1. Tanto L1 como L2 suministran corriente AC al vehículo (y técnicamente se clasifican como EVSE—equipo de suministro de vehículos eléctricos—no como cargadores, en sí) requiriendo que el vehículo realice la conversión a DC internamente para cargar la batería. Los cargadores L3, sin embargo, suministran directamente corriente DC al vehículo, típicamente a 400 o 800 VDC, permitiendo que el vehículo agregue unos pocos cientos de millas de alcance en menos de una hora. Dadas estas implementaciones ampliamente diferentes y las diferencias más granulares que existirán entre aplicaciones específicas, es necesario considerar las topologías electrónicas de carga internas. En este artículo, describiremos varias topologías diferentes de AC-DC, junto con topologías de DC-DC que pueden usarse en aplicaciones de vehículos eléctricos.
Opciones de topología de cargadores de vehículos eléctricos de CA a CC
| Topologías AC/DC | PFC de 2 niveles | NPC de 3 niveles | Vienna de 3 niveles | TNPC de 3 niveles | ANPC de 3 niveles |
|---|---|---|---|---|---|
| Fases de entrada | 1- & 3-Fase | 1- & 3-Fase | 3-Fase | 3-Fase | 3-Fase |
| Bidireccional | Sí | Sí | No | Sí | Sí |
| Densidad de potencia | Baja | Alta | Moderada | Moderada | Máxima |
| Eficiencia | Baja | Muy alta @ alta frecuencia | Alta | Alta | Máxima |
| Pérdidas por conducción | Bajas | Altas | Altas | Moderadas | Altas |
| Pérdidas por conmutación | Altas | Bajas | Moderadas | Moderadas | Bajas |
| Control | Fácil | Moderado | Moderado | Moderado | Moderado |
| Estrés de voltaje pico | Alto | Bajo | Bajo | Bajo | Mínimo |
| THD de corriente de salida | Alto | Muy bajo | Muy bajo | Muy bajo | Muy bajo |
| Costo | Bajo | Alto | Moderado | Moderado | Máximo |
| Inductor de entrada | Grande | Pequeño | Pequeño | Pequeño | Pequeño |
| # de Interruptores | 4 (1-fase), 6 (3-fase) | 4 (1-fase), 12 (3-fase) | 6 | 12 | 18 |
| # de Diodos | 0 | 2 (1-fase), 6 (3-fase) | 6 | 0 | 0 |
PFC (corrección del factor de potencia) de polo totem monofásico

PFC de totem de fase única
La topología PFC de un solo fase tipo totem pole es un diseño relativamente sencillo con un bajo costo de BOM. Cuenta con dos interruptores principales de control, junto con diodos o MOSFETs de bajo RDSON MOSFETs para proporcionar rectificación. Es inherentemente capaz de operar de manera bidireccional (es decir, vehículo a red, carga V2G) pero el modo de conducción continua (CCM) solo es práctico cuando se utilizan SiC y conmutación GaN, no con componentes Si más tradicionales. En general, esta topología tiende a ser menos eficiente debido a las altas pérdidas de conmutación, aunque las pérdidas por conducción son bajas. La eficiencia puede mejorarse utilizando cuatro controladores de etapas de potencia intercaladas en lugar de dos, y con el uso de conmutación SiC y GaN.
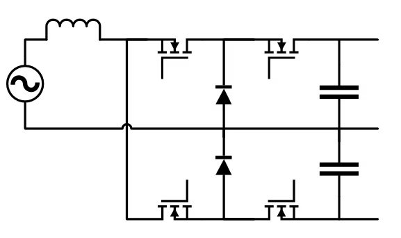
Corrección del factor de potencia de punto neutro de un solo fase (NPC PFC)

PFC NPC monofásico
La topología NPC monofásica convierte corriente alterna en salidas de voltaje de corriente continua positiva y negativa, con un punto neutro fijado o clampado entre los dos. Esta topología puede producir una distorsión muy baja, con menor voltaje a través de los interruptores de potencia, ya que cada nivel de corriente continua maneja solo la mitad del rango total de voltaje de corriente continua (en comparación con el funcionamiento de rectificadores de rango completo). Por lo tanto, los interruptores MOSFET rentables pueden implementarse en esta topología (en lugar de SiC o GaN). Sin embargo, se necesitan cuatro interruptores y sus controladores asociados, mientras que nominalmente solo se requieren dos en la topología de PFC de poste totémico monofásico. El funcionamiento bidireccional es posible mediante su operación de conmutación activa. Esta topología puede mejorarse aún más con la conmutación GaN/SiC cuando se requiere un rendimiento extremadamente alto.
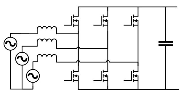
Corrección del factor de potencia (PFC) de dos niveles trifásico

PFC de dos niveles trifásico
La topología PFC de tres fases y dos niveles es un circuito rectificador tipo boost que utiliza seis interruptores. Es una topología sencilla tanto desde el punto de vista del BOM como del circuito, y puede manejar el flujo de energía bidireccional con una eficiencia razonable. Si bien esta es una forma elegantemente simple de implementar la conversión de energía trifásica bidireccional, existen varios inconvenientes en esta topología. A diferencia de algunas otras topologías discutidas aquí, los interruptores deben ser capaces de bloquear todo el voltaje del bus. Por ejemplo, una salida de 800VDC requeriría interruptores SiC clasificados para 1200V o dispositivos con capacidades similares para la regulación. Su operación adecuada también requiere un inductor de filtro para regular la corriente de entrada a valores bajos de distorsión armónica total (THD). La EMI es alta en comparación con otras topologías PFC, y las tensiones de rango completo experimentadas por los componentes pueden afectar la fiabilidad a largo plazo.
Vienna Rectifier

Vienna Rectifier
El rectificador de Viena, patentado en 1993, es adecuado para aplicaciones de corrección del factor de potencia trifásico de alta potencia. Puede operar en modo de conducción continua (CCM) y es relativamente sencillo de controlar. Esta topología permite una mayor eficiencia a frecuencias de conmutación elevadas en comparación con configuraciones PFC de dos niveles, utilizando Si MOSFETs o IGBTs y diodos Schottky de SiC según su diseño de tres niveles. La topología del rectificador de Viena se caracteriza por una alta eficiencia y una baja distorsión armónica total (THD). Una desventaja característica del rectificador de Viena es que nominalmente solo admite la conversión de potencia unidireccional desde la energía de la red AC a aplicaciones DC (es decir, carga de vehículos eléctricos). Sin embargo, se puede implementar potencia bidireccional reemplazando los diodos de potencia con interruptores activos.
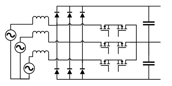
PFC de tres fases con punto neutro pinzado (NPC)
PFC NPC de tres fases y tres niveles
La topología NPC trifásica, similar a la topología NPC monofásica discutida anteriormente, extiende el concepto de conmutación a tres fases. Al igual que la versión monofásica, cada controlador solo necesita manejar la mitad del voltaje del bus. Esto reduce las pérdidas de conmutación y el estrés de voltaje, y permite el uso de componentes de 600V más rentables en lugar de tipos de 1200V. Por lo tanto, la topología NPC trifásica puede implementarse con tecnología Si, SiC o GaN, dependiendo de los requisitos. Esta topología es capaz de una conversión de potencia bidireccional y es una excelente opción para frecuencias de conmutación superiores a 50 kHz debido a sus bajas pérdidas de conmutación y alta eficiencia. Se requieren nueve controladores de puerta para el control de NPC trifásico, en contraposición a los cuatro necesarios para la versión monofásica, cada uno de los cuales necesita su propio circuito de control. Para una mejor gestión térmica, los diodos NPC pueden ser reemplazados por interruptores activos, creando una topología ANPC (active neutral point clamped). Cada una de estas topologías NPC es bastante compleja, tanto desde el punto de vista del BOM como de la circuitería.
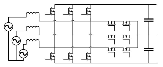
Trifásico, de tres niveles, tipo T con punto neutro de sujeción (TNPC)

Convertidor PFC tipo T de tres niveles y tres fases
Esta topología funciona de manera similar a la configuración de circuito PFC trifásico de dos niveles descrita anteriormente, pero agrega un interruptor bidireccional activo desde cada línea de CA trifásica al punto medio del enlace de CC. Aquí, el lado alto y el lado bajo de cada conversión CA a CC aún necesitarían ser conmutados en su totalidad y, por lo tanto, requerirían interruptores capaces de esta regulación (por ejemplo, IGBTs de 1200V y diodos para un rango de enlace de CC de 800V). Sin embargo, la configuración de conmutación bidireccional hacia el punto medio del enlace de CC solo es requerida para regular la mitad de este voltaje y, por lo tanto, puede implementarse con dispositivos de menor clasificación. En su conjunto, las pérdidas de conversión son bajas en comparación con las topologías NPC, pero las pérdidas de conmutación en general son altas debido a los interruptores utilizados para bloquear el rango completo de voltaje. Presenta mejor eficiencia en comparación con las topologías NPC, junto con un diseño algo más sencillo y un menor número de componentes. Puede emplearse para conmutación bidireccional y ofrece un buen desempeño de THD.
Opciones de topología de cargadores de EV de CC a CC
Además de invertir la energía de CA a CC, se debe suministrar el voltaje correcto de CC al vehículo y/o a la batería. También existen varias opciones aquí.
Topologías de alimentación de estaciones de carga de vehículos eléctricos – AC/DC
| Topologías CC/DC | Convertidor LLC | Puente completo con cambio de fase | Puente activo dual (DAB) | DAB en modo CLLC |
|---|---|---|---|---|
| Bidireccional | No | No | Sí | Sí |
| Eficiencia | Alta | Baja | Moderada | Máxima |
| Pérdidas de conducción | Alta | Moderada | Mínima | Moderada |
| Pérdidas de conmutación | Baja | Alta | Alta | Baja |
| Control | Moderado | Sencillo | Sencillo | Moderado |
| Frecuencia de conmutación | Fija/Alta | Alta | Alta | Muy alta |
| Tensión máxima en el dispositivo | Alta | Moderada | Mínima | Alta |
| Clasificación KVA del transformador | Alta | Moderada | Baja | Alta |
| Corrientes RMS de capacitores de entrada y salida | Alta | Moderada | Baja | Alta |
| Módulos en paralelo | Difícil | Fácil | Fácil | Difícil |
| Amplio voltaje de batería, voltaje de bus fijo | No | Sí (eficiencia reducida) | Sí (eficiencia reducida) | Limitado |
| Costo | Moderado | Moderado | Alto | Alto |
| # de interruptores | 4 | 4 | 8 | 8 |
| # de diodos | 4 | 4 | 0 | 0 |
Puente completo desplazado en fase (PSFB)

Puente completo con cambio de fase (PSFB)
En esta topología, se implementan cuatro interruptores en el lado primario de un puente transformador de CC, junto con un inductor. La potencia de entrada de CC se desplaza de fase mediante un controlador que detecta el voltaje y la corriente en ambos lados, primario y secundario, pero solo acciona los interruptores en el lado primario. El lado secundario utiliza diodos para regular la potencia de salida desplazada de fase. Esto se utiliza únicamente para la transferencia de potencia unidireccional. La eficiencia es típicamente baja, con pérdidas de conducción moderadas y altas pérdidas de conmutación. El costo de esta topología es moderado, con una configuración de control simple, lo que la hace digna de consideración en algunos casos.
Convertidor resonante LLC

Convertidor resonante LLC
El convertidor resonante LLC es similar a la topología PSFB pero añade un capacitor en el lado primario. Los interruptores activos en el lado primario regulan la potencia de entrada. El sistema es más eficiente cuando opera cerca de su frecuencia de resonancia inherente. Esto permite el encendido con ZVS (conmutación de voltaje cero) y el apagado con ZCS (conmutación de corriente cero). Esta topología permite únicamente la transferencia de potencia unidireccional. La disposición del control desde el punto de vista del circuito general es igual que en el PSFB, pero la implementación real puede ser más difícil, especialmente en operación paralela y síncrona, lo que a menudo requiere lógica de control externa. El rendimiento EMI es mejor que en topologías con conmutación dura como el PSFB. La eficiencia general es alta, con bajas pérdidas por conmutación y altas pérdidas por conducción. El costo de implementación es moderado y típicamente inferior al de una configuración de puente activo dual.
Ponte activo dual (DAB)

Puente activo dual (DAB)
El diseño del convertidor de puente activo dual es casi igual que la topología PSFB descrita anteriormente. Los interruptores activos en el primario proporcionan el cambio de fase; sin embargo, el secundario utiliza una matriz de cuatro interruptores activos (por ejemplo, dispositivos SiC o GaN) en lugar de diodos para regular esta fuente de energía. Esto permite la transferencia de energía bidireccional, así como un control más preciso en su operación de conversión de energía del primario al secundario. Además de sus características de uso bidireccional, esta configuración de control activo puede proporcionar una mejor eficiencia general en comparación con las topologías PSFB, con pérdidas de conducción muy bajas. Sin embargo, sigue experimentando altas pérdidas por conmutación. El control, aunque sigue siendo sencillo, es más complicado que la configuración PSFB. Se debe usar un controlador de puerta tanto en el lado secundario como en el primario del transformador. El costo de esta topología es comparativamente alto.
DAB en modo CLLC

DAB en modo CLLC
Esta topología funciona de manera similar al diseño de circuito PFC trifásico de dos niveles descrito anteriormente, pero agrega un interruptor bidireccional activo desde cada línea CA trifásica hasta el punto central de enlace CC. Aquí, el lado alto y el lado bajo de cada conversión de CA a CC aún necesitarían ser conmutados en su totalidad y, por lo tanto, requerirían interruptores capaces de esta regulación (por ejemplo, IGBTs de 1200V y diodos para un rango de enlace CC de 800V). Sin embargo, la configuración de conmutación bidireccional hacia el punto central de enlace CC solo se requiere para regular la mitad de este voltaje y, por ende, puede implementarse con dispositivos de menor clasificación. En general, las pérdidas de conversión son bajas en comparación con las topologías NPC, pero las pérdidas generales de conmutación son altas según los interruptores utilizados para bloquear todo el rango de voltaje. Presenta una mejor eficiencia en comparación con las topologías NPC, junto con un diseño algo más sencillo y un menor número de componentes. Puede usarse para la conmutación bidireccional y ofrece un buen rendimiento en THD.
Consideraciones al elegir una topología de carga para vehículos eléctricos
Al considerar una topología para la rectificación AC-DC, así como la conversión DC-DC en el contexto de carga de vehículos eléctricos, primero debe determinar si trabajará con energía AC trifásica o monofásica, junto con la topología desde los puntos de vista de tiempo de carga, confiabilidad, generación de calor y espacio. Una vez seleccionada la topología general, puede profundizar en el costo de las partes y circuitos individuales. Considere regresar al nivel de topología, o incluso a criterios de diseño de nivel superior si es necesario. La buena noticia es que existe una amplia gama de topologías, así como opciones de componentes, disponibles para satisfacer los requisitos de su proyecto. Si necesita un punto de partida, eInfochips, una compañía de Arrow, ofrece un diseño de referencia de 30 kW que puede utilizar para ayudar a iniciar el proceso de diseño.
Etiquetas de artículo